北开邮件系统 师生登录 学习平台 数字图书馆
科学
研究

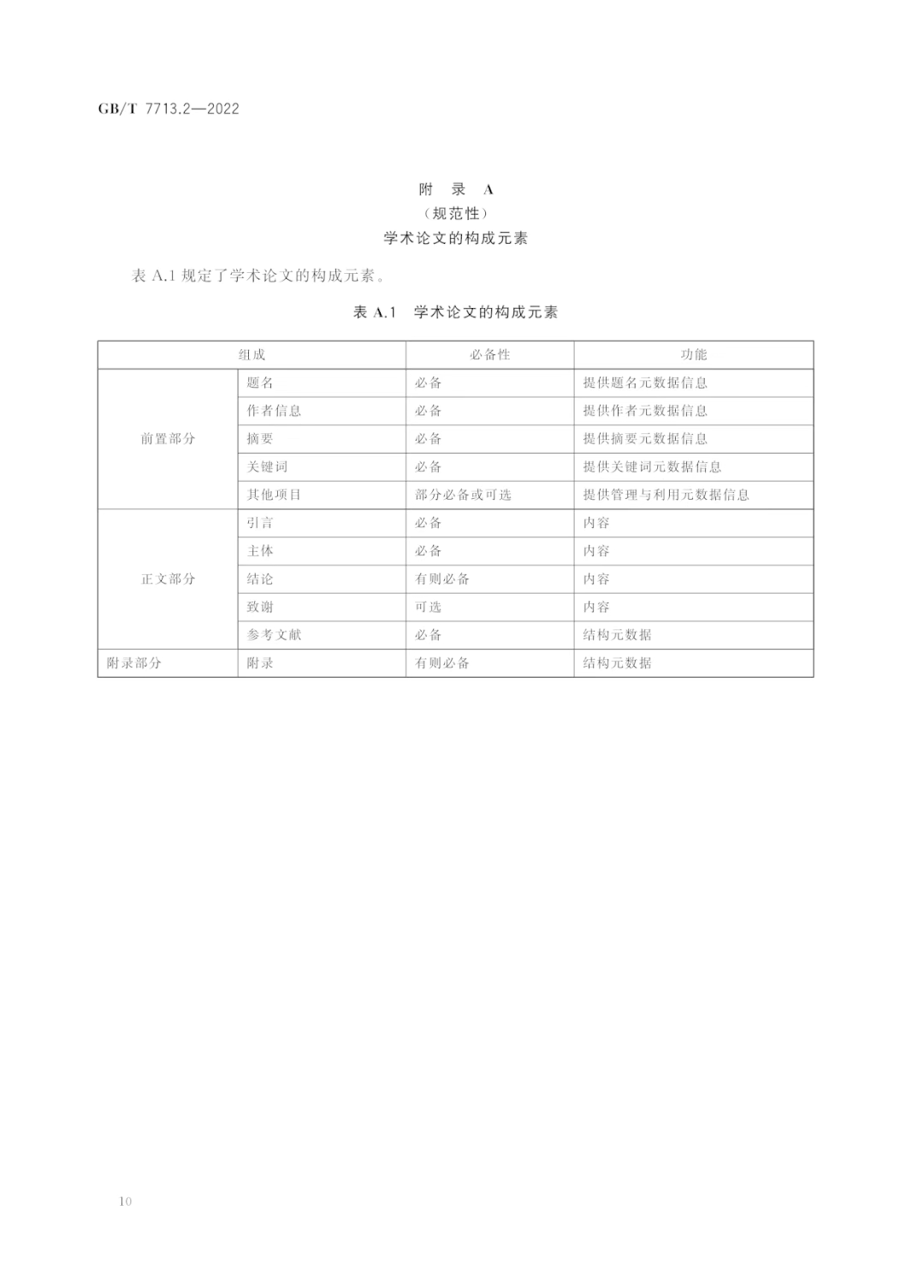
学术论文编写规则(GB/T 7713.2—2022)
来源: 发布时间:2023-03-07 点击数:

地址:北京市海淀区皂君庙甲4号邮政编码:100081电话:010-82192016传真:010-82192114校长信箱:dzb@bjou.edu.cn
京ICP备14061118号-2京公网安备:11010802023446号版权所有:天行网页版登录入口